MAFS01A-2718-DA1
               
	
 
	● 产品描述 
MAFS01A-2718-DA1采用2.75mm×1.85mm封装,体积小、可过回流焊,满足SMT 贴片作业实现高效率自动化生产。适用于需要检测气压微压差的设备中,比如:电子烟等便携式设备。当内置MEMS 传感芯片感应到气压变化时,MEMS 传感芯片将气压变化量转换为电容变化量。MEMS 传感芯片与内置的ASIC 芯片输入端相连,ASIC 输入端电路通过检测MEMS传感芯片的电容变化量来判断用户操作行为,并输出相应高低电平信号。采用ASIC 设计,不会有MCU 方案的死机现象,也不会出现因低于临界电压而引起的芯片无法复位现象。省电模式下静态电流<5uA,外围应用电路简单。
● 极限工作条件
注:无特别说明情况下,TA=25℃。工作在超过极限工作条件的情况下将有可能损坏器件和影响器件可靠性, 极限工作条件不是推荐的工作条件,在极限工作条件下,器件可能没有功能。
● 电气参数
注:无特别说明情况下,VDD=3.7V,TA=25℃
● 典型应用电路
● 安装示意图
● 结构尺寸和引脚定义
● 推荐的 PCB 焊盘布局和钢网图形
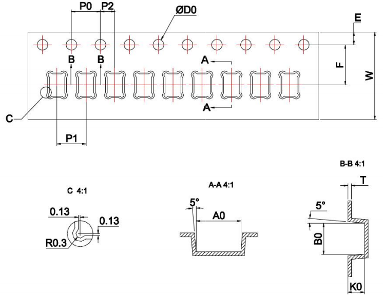
● 编带&包装
说明:
1) 尺寸单位为毫米;
2) 不要将真空吸嘴对准端气孔;
3) 载带和卷盘符合EIA-481 标准;
4) 标签贴于外包装和卷盘上;
5) 静电电压<100V;
● 推荐的回流曲线
注:当集成电子烟控制器焊接在PCB上时,回流曲线根据焊膏和PCB厚度等进行设置。
● 材料概述
符合欧盟RoHS指令2011/65/EC修订后的要求。
符合行业标准IEC 61249-2-21:2003关于卤化物质的要求。
● 备注
1)将电子烟传感器放置在湿度低于 75%的仓库中,不得有突然的温度变化、酸性空气、任何其他有害空气或强磁场。建议在工厂的暴露时间(拆包后) 不超过 4 周。
2)具有普通包装的集成电子烟传感器可以通过普通运输工具运输。在运输过程中,请保护产品免受潮湿、冲击、晒伤和压力。